SZ99C增量式重载编码器
重载冗余型设计,外径 Ø99mm
高防护,空心轴 Ø12~Ø17mm
HTL,TTL电路输出
分辨率可达20000P/R
高精度光感应技术
技术参数
展开全部
技术参数-电气参数
| 输出电路 |
推挽输出 推挽差分输出HTL RS422/TTL |
| 电源电压 |
5VDC±0.25 9-30VDC 5-30VDC |
| 消耗电流 | 150mA |
| 响应频率 |
100kHz (200kHz 可选) |
| 允许负载 | 20mA |
| 信号高电平 |
70%*Vcc(推挽输出) 70%*Vcc(推挽差分输出HTL) ≥2.5V(RS422/TTL/ R ) |
| 信号低电平 |
<1V(推挽输出) <0.5V(推挽差分输出) <0.5V(RS422/TTL/ R ) |
| 上升时间 |
100ns 1us(推挽输出) |
| 下降时间 |
100ns 1us(推挽输出) |
| 脉冲数P/R |
250,256,500,512,1000,1024,2000, 2048,2500,3072,3600,4000,4096, 5000,8000,8192,10000,16384,20000 |
技术参数-机械参数
| 最大转速 | 4000r/min |
| 径向负荷 | 300N |
| 轴向负荷 | 150N |
| 重量 | 1300g |
| 防护等级 | IP67(Shaft:IP66) |
| 工作温度 | -20℃....+85℃ |
| 贮存温度 | -25℃....+100℃ |
| 抗冲击 | 1000m/s2 , 6ms |
| 抗振动 | 100m/s2, 10....200Hz |
| 启动力矩 | 8×10-2 N.m Max |
技术参数-电路

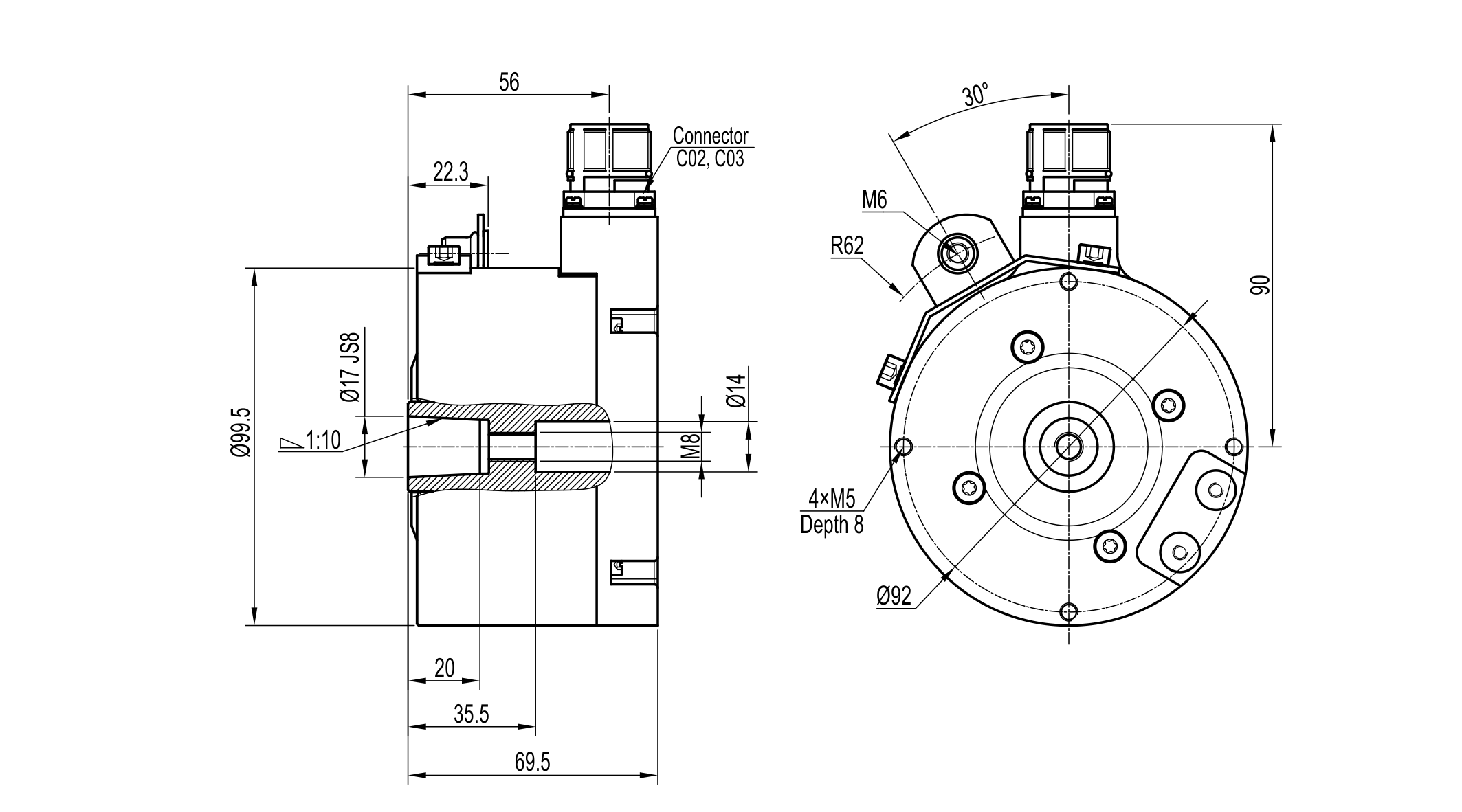
机械图
展开全部
机械图

订货信息
展开全部
订货信息



详细资料
数据手册